Гаражный пресс KRWPR10F
1 286 BYN
Наличие уточняйте
-
+
В корзину
Обращаем Ваше внимание на то, что приведенные цены, характеристики и фотографии товаров носят исключительно ознакомительный характер и не являются публичной офертой, определяемой положениями ст. 405 Гражданского кодекса Республики Беларусь.
Описание
В любом автосервисе, автомастерской или даже гараже постоянно требуется проведение операции по выпрессовке/запрессовке таких деталей, как ступичный подшипник или сайлентблоки рычагов. Ранее проведение данной операции вручную требовало значительных трудовых и временных затрат. С появлением гидравлических прессов этот трудоемкий процесс значительно упростился и стал безопаснее, а широкая линейка прессов с различным максимальным усилием позволяет подобрать наиболее подходящий для выполнения тех или иных задачи.
Принцип работы гидравлического пресса заключается в создании давления гидравлического масла в рабочем цилиндре при помощи насоса. Создаваемое насосом давление перемещает шток цилиндра в вертикальной плоскости, который в свою очередь давит на деталь, расположенную между штоком и рабочим столом. Усилие, с которым давит шток контролируется по манометру, установленному на гидроцилиндре.
Несмотря на общий принцип работы, гидравлические прессы имеют три основных различия:
Максимально развиваемое усилие
Тип корпуса настольный, напольный
Привод насоса ручной, ножной, пневмогидравлический, электрогидравлический
Гидравлические прессы KRAFTWELL, в отличие от более дешевых аналогов, изготавливаются на современном и высокоточном оборудовании одного из ведущих заводов в Китае и исключительно из высококачественных материалов в соответствии с европейскими нормами безопасности и стандартами качества, что гарантирует длительный период эксплуатации и безопасность при работе. Качество подтверждено сертификатами EAC и CE.
Пресс KRWPR10F с ручным и ножным приводом обладает следующими особенностями:
Максимальное развиваемое усилие 10 тонн
Гидравлический насос с ручным и ножным приводом
Встроенный в насос предохранительный клапан для защиты от перегрузок
Быстросборный корпус рамы напольного типа
Устойчивое основание с отверстиями для крепления анкерами к полу
Регулируемый по высоте рабочий стол
Перемещение цилиндра в горизонтальной плоскости
Автоматическая регулировка скорости перемещения штока (без нагрузки быстрее, под нагрузкой медленнее)
Манометр, заполненный глицерином
Эргономичная рукоятка сброса давления
V-образные блоки с ограничителями перемещения
Индикатор крайнего положения штока
Хромированная поверхность штока
Автоматический возврат штока после сброса давления
Поставляется в одной фанерной коробке
Принцип работы гидравлического пресса заключается в создании давления гидравлического масла в рабочем цилиндре при помощи насоса. Создаваемое насосом давление перемещает шток цилиндра в вертикальной плоскости, который в свою очередь давит на деталь, расположенную между штоком и рабочим столом. Усилие, с которым давит шток контролируется по манометру, установленному на гидроцилиндре.
Несмотря на общий принцип работы, гидравлические прессы имеют три основных различия:
Максимально развиваемое усилие
Тип корпуса настольный, напольный
Привод насоса ручной, ножной, пневмогидравлический, электрогидравлический
Гидравлические прессы KRAFTWELL, в отличие от более дешевых аналогов, изготавливаются на современном и высокоточном оборудовании одного из ведущих заводов в Китае и исключительно из высококачественных материалов в соответствии с европейскими нормами безопасности и стандартами качества, что гарантирует длительный период эксплуатации и безопасность при работе. Качество подтверждено сертификатами EAC и CE.
Пресс KRWPR10F с ручным и ножным приводом обладает следующими особенностями:
Максимальное развиваемое усилие 10 тонн
Гидравлический насос с ручным и ножным приводом
Встроенный в насос предохранительный клапан для защиты от перегрузок
Быстросборный корпус рамы напольного типа
Устойчивое основание с отверстиями для крепления анкерами к полу
Регулируемый по высоте рабочий стол
Перемещение цилиндра в горизонтальной плоскости
Автоматическая регулировка скорости перемещения штока (без нагрузки быстрее, под нагрузкой медленнее)
Манометр, заполненный глицерином
Эргономичная рукоятка сброса давления
V-образные блоки с ограничителями перемещения
Индикатор крайнего положения штока
Хромированная поверхность штока
Автоматический возврат штока после сброса давления
Поставляется в одной фанерной коробке
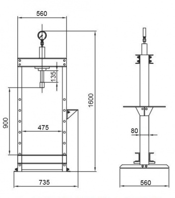
Характеристики
|
Макс. ширина заготовки, мм
|
475 |
|
Макс. высота заготовки, мм
|
900 |
|
Ход штока, мм
|
135 |
|
Усилие, т
|
10 |
|
Тип привода
|
гидравлический, ножной, ручной |
|
Габариты в упаковке, мм
|
1340/270/220 |
|
Масса в упаковке , кг
|
64 |












