Тренога перегрузочная ТГП-500
Перегрузочная тренога ТГП-500 (Тренога перегрузочная ТГП-500) грузоподъемностью 500 кг, предназначена для подъема, удержания и опускания грузов (выше или ниже поверхности установки основания треноги) при проведении строительно-монтажных и подъемно-транспортных работах.
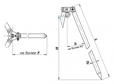
Тренога состоит из трех стоек, соединенных кронштейном, для крепления грузоподъемного механизма (как правило используется ручная таль, не входит в комплект поставки) в основание кронштейна ввинчивается рым-болт или используется омегообразная скоба.
Тренога перегрузочная ТГП-500 комплектуется предохранительной цепью, предотвращающей ее полное раскрытие. Длина цепи достаточна для удержания треноги в максимально раскрытом положении, при котором сохраняется рабочая грузоподъемность треноги.
Тренога имеет компактные размеры, что обеспечивает работу в условиях ограниченного пространства. Может эксплуатироваться как в закрытом помещении, так и на открытом воздухе. Разрешается эксплуатация при температуре окружающей среды не ниже -40°.
Тренога состоит из трех стоек, соединенных кронштейном, для крепления грузоподъемного механизма (как правило используется ручная таль, не входит в комплект поставки) в основание кронштейна ввинчивается рым-болт или используется омегообразная скоба.
Тренога перегрузочная ТГП-500 комплектуется предохранительной цепью, предотвращающей ее полное раскрытие. Длина цепи достаточна для удержания треноги в максимально раскрытом положении, при котором сохраняется рабочая грузоподъемность треноги.
Тренога имеет компактные размеры, что обеспечивает работу в условиях ограниченного пространства. Может эксплуатироваться как в закрытом помещении, так и на открытом воздухе. Разрешается эксплуатация при температуре окружающей среды не ниже -40°.
Подробнее
681 BYN
Наличие уточняйте
-
+
В корзину
Обращаем Ваше внимание на то, что приведенные цены, характеристики и фотографии товаров носят исключительно ознакомительный характер и не являются публичной офертой, определяемой положениями ст. 405 Гражданского кодекса Республики Беларусь.
Описание
Перегрузочная тренога ТГП-500 (Тренога перегрузочная ТГП-500) грузоподъемностью 500 кг, предназначена для подъема, удержания и опускания грузов (выше или ниже поверхности установки основания треноги) при проведении строительно-монтажных и подъемно-транспортных работах.
Тренога состоит из трех стоек, соединенных кронштейном, для крепления грузоподъемного механизма (как правило используется ручная таль, не входит в комплект поставки) в основание кронштейна ввинчивается рым-болт или используется омегообразная скоба.
Тренога перегрузочная ТГП-500 комплектуется предохранительной цепью, предотвращающей ее полное раскрытие. Длина цепи достаточна для удержания треноги в максимально раскрытом положении, при котором сохраняется рабочая грузоподъемность треноги.
Тренога имеет компактные размеры, что обеспечивает работу в условиях ограниченного пространства. Может эксплуатироваться как в закрытом помещении, так и на открытом воздухе. Разрешается эксплуатация при температуре окружающей среды не ниже -40°.
Тренога состоит из трех стоек, соединенных кронштейном, для крепления грузоподъемного механизма (как правило используется ручная таль, не входит в комплект поставки) в основание кронштейна ввинчивается рым-болт или используется омегообразная скоба.
Тренога перегрузочная ТГП-500 комплектуется предохранительной цепью, предотвращающей ее полное раскрытие. Длина цепи достаточна для удержания треноги в максимально раскрытом положении, при котором сохраняется рабочая грузоподъемность треноги.
Тренога имеет компактные размеры, что обеспечивает работу в условиях ограниченного пространства. Может эксплуатироваться как в закрытом помещении, так и на открытом воздухе. Разрешается эксплуатация при температуре окружающей среды не ниже -40°.
Характеристики
|
Грузоподъемность, тонн
|
0.5 |
|
Высота подъема, м
|
зависит от тали |
|
Высота подъема при уст. на земле, м
|
зависит от угла наклона опоры |
|
Макс. уклон опорной поверхности, °
|
5° |
|
Габаритные размеры, мм
|
L 2500мм, Н (при а=30°) 2080мм, F 1750мм, D 33мм |
|
Масса, кг
|
33.0 |






