Таль ручная шестеренная цепная ТРШБМ-10/3
Таль ручная цепная шестеренная ТРШБМ-10 предназначена для подъёма, удержания в поднятом положении и опускания груза массой до 10000 кг, а также для перемещения груза по подвесному пути (двутавровый профиль) при различных работах в режиме не выше группы режима 1М по ГОСТ 25835.
Таль ТРШБМ оснащена ручным приводом механизма передвижения. Перемещение тали по подвесному пути осуществляется приложением усилия оператора тали к тяговой цепи кошки, далее через тяговую звездочку на ведущие ролики.
Тали серии ТРШБМ также оснащены поворотным кожухом тяговой цепи, который позволяет управлять подъемом и опусканием груза из любого положения, находясь в удалении от груза. Оператор может находиться сбоку или даже сверху от поднимаемого груза, что повышает безопасность и удобство работы.
* Вес тали указан без цепей.
|
Грузоподъемность, кг
|
10000 |
|
Высота подъема, м
|
3 |
|
Тяговое усилие, кг
|
44, 14 |
|
Тип тали
|
цепная, шестеренная |
|
Тип привода
|
ручной |
|
Каретка перемещения
|
ручная, холостая |
|
Кратность полиспаста
|
3/1 |
|
Грузовая цепь
|
Ø 10 × 30 |
|
Тяговая цепь
|
Ø 5 x 26 |
|
Профиль пути/ширина полки, мм
|
125 - 310, толщ. полки до 40мм |
|
Мин. радиус поворота пути, м
|
2.0000 |
|
Строительная высота, мм
|
690.0000 |
|
Габаритные размеры, мм
|
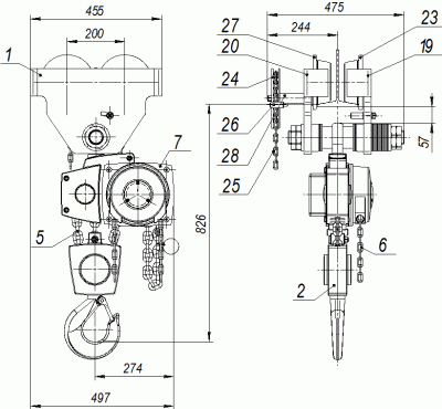
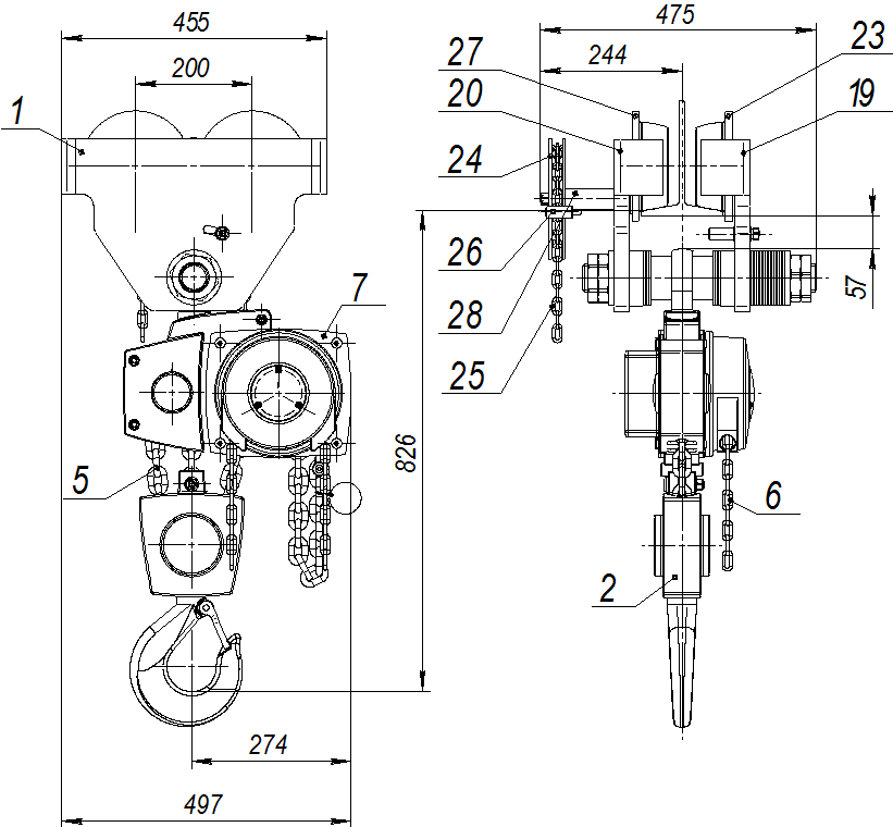
см. схему |
- таль (1шт)
- подвеска нижняя (1шт)
- грузовая цепь (1шт)
- тяговая цепь (2шт)
- тара
- паспорт на таль (1шт).



