Вертикальная упаковочная машина HX-006
74 039 BYN
Наличие уточняйте
-
+
В корзину
Обращаем Ваше внимание на то, что приведенные цены, характеристики и фотографии товаров носят исключительно ознакомительный характер и не являются публичной офертой, определяемой положениями ст. 405 Гражданского кодекса Республики Беларусь.
Описание
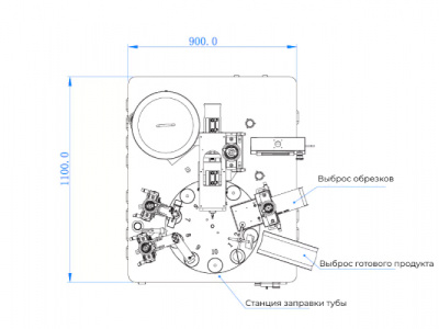
HX-006 – модель запайщика туб, объединяющая в себе функции наполнения и запайки. Аппарат оснащен поршневым дозатором с бункером для дозируемого продукта, ультразвуковой системой запайки, встроенным фотодатчиком для работы по фотометке и датирующим устройством.
Запайщик предназначен для фасовки вязких и пастообразных продуктов в пластиковые или ламинированные тубы. Основные сферы применения – пищевое производство, фармацевтическая, косметическая и химическая отрасли.
Аппарат может применяться для упаковки:
продуктов питания - кремы, соусы, кетчупы, муссы, горчица, мед, джемы и т.п.;
лекарственных препаратов - кремов, гелей, мазей;
косметических средств - кремов, гелей для душа, шампуней, бальзамов, зубной пасты;
химической продукции - красок, герметиков, чистящих паст, клея, крема для обуви и т.д.
Модель относится к полуавтоматическому типу запайщиков. Туба с наполненным содержимым подается в рабочую зону оператором вручную. Дальнейшие операции (позиционирование, запайка, обрезка, простановка даты) осуществляются автоматически по заданной программе.
Выполняемые аппаратом в автоматическом режиме функции:
идентификация регистрационной метки;
заполнение тубы;
герметизация (запайка) с кодированием;
обрезка концов.
Среди особенностей модели:
ультразвуковая запайка большой мощности – обеспечивает ровный, аккуратный и прочный сварной шов без применения клея и без необходимости высокой температуры нагрева запаечного блока;
наличие встроенного оптического датчика – позволяет точно позиционировать тубу по фотометке;
современная, интуитивно понятная система управления с информативным цветным дисплеем, на котором отражаются все текущие параметры работы аппарата. Оператор может регулировать диаметр и высоту обрезки тубы;
возможность простановки в шве даты производства/упаковки, сроков хранения и другой аналогичной информации;
дозирование при помощи шестеренчатого насоса – обеспечивает отличную точность дозировки;
простота обслуживания и эксплуатации, в частности – легкая замена рабочей формы и диметра тубы, регулировка длины тубы.
Заказать полуавтоматический ультразвуковой запайщик туб HX-006 с доставкой по всей России и в страны Таможенного Союза ы можете на нашем сайте. Вы также можете связаться с нашими менеджерами удобным для вас способом. Покупателю предоставляется официальная гарантия завода-изготовителя. Сервисное обслуживание аппарата производится нашей собственной сервисной службой компании. Всегда в наличии на складах в РФ необходимые комплектующие, запчасти и расходные материалы.
Запайщик предназначен для фасовки вязких и пастообразных продуктов в пластиковые или ламинированные тубы. Основные сферы применения – пищевое производство, фармацевтическая, косметическая и химическая отрасли.
Аппарат может применяться для упаковки:
продуктов питания - кремы, соусы, кетчупы, муссы, горчица, мед, джемы и т.п.;
лекарственных препаратов - кремов, гелей, мазей;
косметических средств - кремов, гелей для душа, шампуней, бальзамов, зубной пасты;
химической продукции - красок, герметиков, чистящих паст, клея, крема для обуви и т.д.
Модель относится к полуавтоматическому типу запайщиков. Туба с наполненным содержимым подается в рабочую зону оператором вручную. Дальнейшие операции (позиционирование, запайка, обрезка, простановка даты) осуществляются автоматически по заданной программе.
Выполняемые аппаратом в автоматическом режиме функции:
идентификация регистрационной метки;
заполнение тубы;
герметизация (запайка) с кодированием;
обрезка концов.
Среди особенностей модели:
ультразвуковая запайка большой мощности – обеспечивает ровный, аккуратный и прочный сварной шов без применения клея и без необходимости высокой температуры нагрева запаечного блока;
наличие встроенного оптического датчика – позволяет точно позиционировать тубу по фотометке;
современная, интуитивно понятная система управления с информативным цветным дисплеем, на котором отражаются все текущие параметры работы аппарата. Оператор может регулировать диаметр и высоту обрезки тубы;
возможность простановки в шве даты производства/упаковки, сроков хранения и другой аналогичной информации;
дозирование при помощи шестеренчатого насоса – обеспечивает отличную точность дозировки;
простота обслуживания и эксплуатации, в частности – легкая замена рабочей формы и диметра тубы, регулировка длины тубы.
Заказать полуавтоматический ультразвуковой запайщик туб HX-006 с доставкой по всей России и в страны Таможенного Союза ы можете на нашем сайте. Вы также можете связаться с нашими менеджерами удобным для вас способом. Покупателю предоставляется официальная гарантия завода-изготовителя. Сервисное обслуживание аппарата производится нашей собственной сервисной службой компании. Всегда в наличии на складах в РФ необходимые комплектующие, запчасти и расходные материалы.
Характеристики
|
Высота упаковочных объектов, мм
|
50-200 |
|
Производительность, пакет/мин
|
20-25 |
|
Упаковочная емкость, мл
|
6-60, 10-120, 25-250, 50-500 |
|
Потребляемая мощность, кВт
|
2,5 |
|
Длина, мм
|
1300 |
|
Ширина, мм
|
900 |
|
Высота, мм
|
1550 |
|
Масса в упаковке , кг
|
320 |
- ультразвуковая запайка большой мощности – обеспечивает ровный, аккуратный и прочный сварной шов без применения клея и без необходимости высокой температуры нагрева запаечного блока;
- наличие встроенного оптического датчика – позволяет точно позиционировать тубу по фотометке;
- современная, интуитивно понятная система управления с информативным цветным дисплеем, на котором отражаются все текущие параметры работы аппарата. Оператор может регулировать диаметр и высоту обрезки тубы;
- возможность простановки в шве даты производства/упаковки, сроков хранения и другой аналогичной информации;
- дозирование при помощи шестеренчатого насоса – обеспечивает отличную точность дозировки;
- простота обслуживания и эксплуатации, в частности – легкая замена рабочей формы и диметра тубы, регулировка длины тубы.
Видео





