Станок для намотки кабеля в бухту МНК 0,8-0,1Р
2 352 BYN
Наличие уточняйте
-
+
В корзину
Обращаем Ваше внимание на то, что приведенные цены, характеристики и фотографии товаров носят исключительно ознакомительный характер и не являются публичной офертой, определяемой положениями ст. 405 Гражданского кодекса Республики Беларусь.
Описание
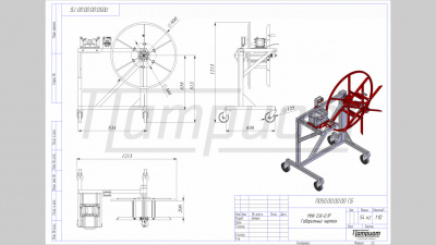
Станок МНК 0, 8-0, 1Р - мобильный бухтовщик малого класса с ручным приводом.
Устройство перемотки кабеля МНК 0, 8-0,1Р позволяет производить мерные отмотки кабельно-проводниковой продукции (кабеля, провода), троса, стального каната и прочих длинномерных материалов в бухты диаметром до 800 мм и массой до 100 кг.
Благодаря наличию колёсных опор с тормозными механизмами, станок легко перемещать по территории склада или к месту проведения отмотки.
Ручной раскладчик кабеля обеспечивает возможность равномерной раскладки материала по ширине технологического барабана, позволяя формировать бухты (мотки) с хорошей плотностью намотки и отличным товарным видом.
В стандартном исполнении станок МПК 0, 8-0,1Р комплектуется измерителем длины МИД 40 и позволяет производить мерную отмотку и перемотку материала диаметром 1-40 мм. По желанию заказчика измеритель длины МИД 40 Патриот может быть заменен на измерители МИД 20 Патриот или МИД 70М Патриот.
Станок МНК 0, 8-0, 1Р Патриот состоит из следующих основных узлов: сварная рама на колёсных опорах, складной технологический барабан, ручной раскладочный механизм и измеритель длины МИД 40 Патриот.
Порядок проведения отмотки с помощью устройства перемотки кабеля МНК 0, 8-0,1Р Патриот: отматываемый материал пропускается через механическую часть измерителя длины МИД 40 Патриот, установленную на каретке ручного раскладчика и фиксируется на складном технологическом барабане, прикладывая усилия к рукоятке, расположенной на одном из лучей технологического барабана производится отмотка материала, при достижении требуемой длины отмотки материал отрезается. Снятие материала происходит путём складывания технологического барабана.
Если требуется автоматическая отмотка материала, станок можно будет дооснастить электроприводом или сразу приобрести приводной бухтовщик МНК 0, 8-0,1ПМ.
Устройство перемотки кабеля МНК 0, 8-0,1Р позволяет производить мерные отмотки кабельно-проводниковой продукции (кабеля, провода), троса, стального каната и прочих длинномерных материалов в бухты диаметром до 800 мм и массой до 100 кг.
Благодаря наличию колёсных опор с тормозными механизмами, станок легко перемещать по территории склада или к месту проведения отмотки.
Ручной раскладчик кабеля обеспечивает возможность равномерной раскладки материала по ширине технологического барабана, позволяя формировать бухты (мотки) с хорошей плотностью намотки и отличным товарным видом.
В стандартном исполнении станок МПК 0, 8-0,1Р комплектуется измерителем длины МИД 40 и позволяет производить мерную отмотку и перемотку материала диаметром 1-40 мм. По желанию заказчика измеритель длины МИД 40 Патриот может быть заменен на измерители МИД 20 Патриот или МИД 70М Патриот.
Станок МНК 0, 8-0, 1Р Патриот состоит из следующих основных узлов: сварная рама на колёсных опорах, складной технологический барабан, ручной раскладочный механизм и измеритель длины МИД 40 Патриот.
Порядок проведения отмотки с помощью устройства перемотки кабеля МНК 0, 8-0,1Р Патриот: отматываемый материал пропускается через механическую часть измерителя длины МИД 40 Патриот, установленную на каретке ручного раскладчика и фиксируется на складном технологическом барабане, прикладывая усилия к рукоятке, расположенной на одном из лучей технологического барабана производится отмотка материала, при достижении требуемой длины отмотки материал отрезается. Снятие материала происходит путём складывания технологического барабана.
Если требуется автоматическая отмотка материала, станок можно будет дооснастить электроприводом или сразу приобрести приводной бухтовщик МНК 0, 8-0,1ПМ.
Характеристики
|
Макс. масса бухты/барабана, кг
|
100 |
|
Размеры готовой бухты , мм
|
300х800х200 |
|
Габаритные размеры, мм
|
1215х860х1080 |
|
Масса, кг
|
50 |
Комплект поставки станка МНК 0, 8-0,1Р :
- сварная рама - 1 шт.,
- складной технологический барабан - 1 шт.,
- измеритель длины МИД 40 - 1 шт.,
- ручной раскладочный механизм - 1 шт.,
- поворотная роликовая опора с тормозным механизмом - 4 шт.,
- Паспорт - 1 шт.
Возможные дополнительные опции к отмотчику МНК 0, 8-0,1ПМ :
- ось для отмотки кабеля на катушки (барабаны),
- автоматический несинхронный раскладчик кабеля,
- автоматический синхронный раскладчик кабеля, позволяющий производить намотку материала виток-к-витку,
- замена измерителя длины МИД 40 Патриот на МИД 20 Патриот или МИД 70М Патриот.





